Rina Grishina's Porn
Rita Grishina actress
Rina Grishina
Grishina Rina Nikolaevna Maxim
Rina Grishina 2021
A Summer S End Hong Kong 1986
Wallpaper for computer game
Mason LS107M tape recorder
Rina Grishina 2021
Rina Grishina Police from Rublevka
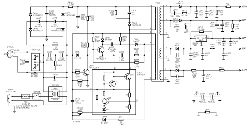
Samsung 740n power supply circuit
Fate Grand Order Ishtar in the car
Rina Grishina and Alex
Bosch ParkPilot URF6 PARCTRONIC
Nissan Silvia S15 4K
Like
0Dislike
00
Share the photo on social networks:
Comment:
Related photo:


